
IGBT Medium Power Module-E63 Series
Collector-Emitter Voltage 1200V
Continuous Collector Current 25A
Repetitive Peak Collector Current 50A
Total Power Dissipation 158W
Product Description
Homray Semiconductor Technology is the leading manufacturer and supplier of IGBT Power Module. Our medium power IGBT modules are designed for 600V/650V, 1200V and 1700V with rated current range 10A - 600A.HST-GL25P120E63 and HST-GL40P120E63 can replacing Infineon FP25R12KE3 and FP40R12KE3. The IGBT power module can be applied to Motor Drivers, AC and DC servo drive amplifier, UPS (Uninterruptible Power Supplies) etc.
The Insulated Gate Bipolar Transistor (IGBT) is a minority-carrier device with high input impedance and large bipolar current-carrying capability. The IGBT combines the insulated gate technology of the MOSFET with the output performance characteristics of a conventional bipolar transistor. The result of this hybrid combination is that the IGBT Transistor has the output switching and conduction characteristics of a bipolar transistor but is voltage-controlled like a MOSFET.
IGBT Power Module Features
Low switching losses
Low vce(sat) with positive temperature coefficient
Including fast & soft recovery anti-parallel FWD
Low inductance case
High short circuit capability(10us)
Maximum junction temperature 175℃

Technial parameters reference as typical model HST-GL25P120E63 below:
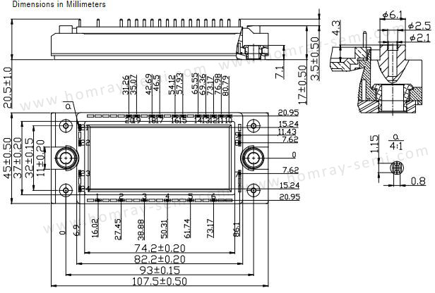
Circuit Diagram & Package Dimensions


IGBT- inverter
Absolute Maximum Ratings

Characteristic values



Diode-inverter
Absolute Maximum Ratings

Characteristic values


Related Products



E-mail: